原理框图

产品实物

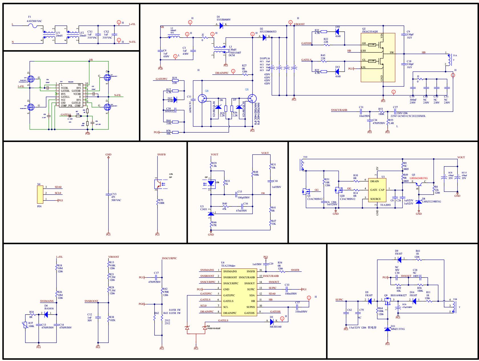
功能描述
1. 3C+1A PD充电器,峰值功率200W,工作20-30分钟后降至160W
2. 采用NXP,AHB芯片 TEA2356
3. 不对称半桥(AHB)拓扑 AC-DC 功率开关芯片,集成 PFC+AHB 二合一功能,支持空载轻载时 PFC 自动关闭以优化轻载功耗
4. 采用 SOP16 封装
5. PFC部分:两个INN700D130D并联,AHB部分:ISG6233AQH 上下管合封Gan
6. 多口协议:3C1A SC9712B
7. 80mm*58mm*25mm方案尺寸,功率密度达1.72W/cm²
上一篇:没有了